Woltman Loại đồng hồ đo nước B (40mm-600mm)
Ứng dụng
Để đo lưu lượng nước nóng cao đi qua các đường ống có kích thước từ 40mm đến 600mm.
Tính năng
* Hệ dẫn động từ, khả năng chống truyền thấp hơn.
* Sổ đăng ký quay số khô kín đảm bảo đọc rõ ràng.
* Cơ chế đo có thể được tháo rời khỏi cơ thể để kiểm tra, bảo trì và thay thế, và cơ thể không cần phải tháo dỡ khỏi đường ống.
*Các bộ phận trao đổi liên thông.
*Mất áp suất thấp. Cuộc sống làm việc lâu dài.
* Có thể được trang bị công tắc sậy (đăng ký không thể xoay).
Tuân thủ tiêu chuẩn
Dữ liệu kỹ thuật phù hợp vớiISO 4064 Tiêu chuẩn lớp B, R50, R63 và R80
Điều kiện làm việc
Nhiệt độ nước: ≤50ºC cho đồng hồ nước lạnh
Nhiệt độ nước: ≤90ºC đối với đồng hồ nước nóng
Áp suất nước: ≤1MPa hoặc 1,6MPa hoặc 4.0 MPa tùy chọn (tùy chọn 10bar hoặc 16bar r 40 bar)
Yêu cầu cài đặt
* Đồng hồ có thể được lắp đặt ở vị trí ngang, dọc hoặc nghiêng.
*Một vị trí nằm ngang với mặt đăng ký hướng lên trên được khuyến khích.
* Đường ống phải được xả trước khi lắp đặt.
* Đồng hồ phải liên tục đầy nước trong quá trình hoạt động.
Lỗi tối đa cho phép
Ở vùng thấp hơn từ Qmin (Q1) bao gồm đến nhưng không bao gồm Qt (Q2) là ±5%.
Ở vùng trên từ Qt (Q2) bao gồm đến và bao gồm Qmax (Q4) là ±2% (đồng hồ nước lạnh).
Ở vùng trên từ Qt (Q2) bao gồm đến và bao gồm Qmax (Q4) là ±3% (đồng hồ nước nóng).

DỮ LIỆU KỸ THUẬT CHÍNH Theo ISO4064:2003 (Tiêu chuẩn cũ)
Kích thước đồng hồ đo | Đo | Dòng chảy tối đa | Dòng chảy danh nghĩa | Dòng chuyển tiếp | Dòng chảy min | Đọc min | Đọc tối đa | ||
Mm | lớp | m³/h | m³ | ||||||
40 | B | 20 | 10 | 0.8 | 0.2 | 0.0002 | 999999 | ||
50 | B | 30 | 15 | 3 | 0.45 | 0.0002 | 999999 | ||
65 | B | 50 | 25 | 5 | 0.75 | 0.0002 | 999999 | ||
80 | B | 80 | 40 | 8 | 1.2 | 0.002 | 999999 | ||
100 | B | 120 | 60 | 12 | 1.8 | 0.002 | 999999 | ||
125 | B | 200 | 100 | 20 | 3 | 0.002 | 999999 | ||
150 | B | 300 | 150 | 30 | 4.5 | 0.002 | 999999 | ||
200 | B | 500 | 250 | 50 | 7.5 | 0.002 | 999999 | ||
250 | B | 800 | 400 | 80 | 12 | 0.002 | 999999 | ||
300 | B | 1200 | 600 | 120 | 18 | 0.02 | 9999999 | ||
350 | B | 1600 | 800 | 160 | 24 | 0.02 | 999999999 | ||
400 | B | 2000 | 1000 | 200 | 30 | 0.02 | 999999999 | ||
500 | B | 3000 | 1500 | 300 | 45 | 0.02 | 999999999 | ||
600 | B | 6000 | 3000 | 600 | 90 | 0.02 | 999999999 | ||
DỮ LIỆU KỸ THUẬT CHÍNH THEO ISO4064:2005 (Tiêu chuẩn mới)
Kích thước đồng hồ đo | Đo | Q4 | Q3 | Q2 | Q1 | Đọc min | Đọc tối đa |
Mm | R | m³/h | m³ | ||||
40 | 63 | 20 | 16 | 0.41 | 0.25 | 0.0002 | 999999 |
50 | 63 | 31.25 | 25 | 0.63 | 0.40 | 0.0002 | 999999 |
65 | 80 | 50 | 40 | 0.80 | 0.50 | 0.0002 | 999999 |
80 | 80 | 78.7 | 63 | 1.26 | 0.79 | 0.002 | 999999 |
100 | 80 | 125 | 100 | 2.00 | 1.25 | 0.002 | 999999 |
125 | 80 | 200 | 160 | 3.20 | 2.00 | 0.002 | 999999 |
150 | 80 | 312.5 | 250 | 5.00 | 3.13 | 0.002 | 999999 |
200 | 63 | 500 | 400 | 10.16 | 6.35 | 0.002 | 999999 |
250 | 50 | 787 | 630 | 20.16 | 12.60 | 0.002 | 999999 |
300 | 50 | 1250 | 1000 | 32 | 20 | 0.02 | 9999999 |
350 | 50 | 2000 | 1600 | 51.2 | 32 | 0.02 | 999999999 |
400 | 50 | 3125 | 1600 | 51.2 | 32 | 0.02 | 999999999 |
500 | 50 | 5000 | 2500 | 80 | 50 | 0.02 | 999999999 |
600 | 50 | 7870 | 4000 | 128 | 80 | 0.02 | 999999999 |
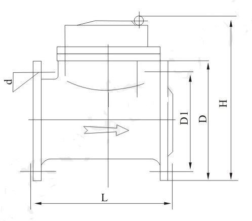
Dimensions và Trọng lượng

Kích thước đồng hồ | Chiều dài L | Chiều rộng W | Chiều cao H | Kết nối luồng | ||
Mm | Mm | D | Vòng tròn Bu lông Dia D1 | Bu lông kết nối | ||
40 | 200 | 256 | 400 | 165 | 125 | 4xM16 |
50 | 200 | 256 | 400 | 165 | 125 | 4xM16 |
65 | 200 | 256 | 400 | 185 | 145 | 4xM16 |
80 | 225 | 276 | 400 | 200 | 160 | 8xM16 |
100 | 250 | 286 | 400 | 220 | 180 | 8xM16 |
125 | 250 | 10s | 400 | 250 | 210 | 8xM16 |
150 | 300 | 346 | 500 | 285 | 240 | 8xM20 |
200 | 350 | 373 | 500 | 340 | 295 | 8xM20 |
250 | 450 | 493 | 730 | 395 | 350 | 12xM20 |
300 | 500 | 516 | 730 | 445 | 400 | 12xM20 |
350 | 500 | 560 | 730 | 520 | 470 | 12xM21 |
400 | 600 | 631 | 830 | 565 | 515 | 16xM24 |
500 | 800 | 48V | 930 | 715 | 650 | 20xM30 |
600 | 1000 | 865 | 1030 | 840 | 770 | 20xM33 |
Chú phổ biến: Đồng hồ nước woltman loại, Trung Quốc, nhà sản xuất, nhà cung cấp, nhà máy











